万向钱潮公布国际专利申请:“一种丝杠及丝杠制动方法”
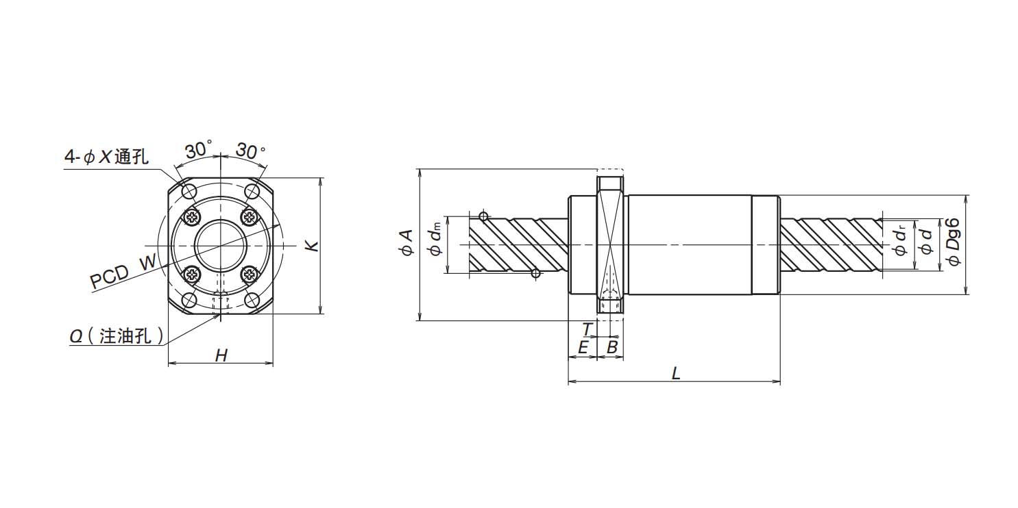
证券之星消息,根据企查查数据显示万向钱潮(000559)公布了一项国际专利申请,专利名为“一种丝杠及丝杠制动方法”,专利申请号为PCT/CN2025/119250,国际公布日为2026年3月19日。

图片来源于网络,如有侵权,请联系删除
专利详情如下:

图片来源于网络,如有侵权,请联系删除
图片来源:世界知识产权组织(WIPO)
今年以来万向钱潮已公布的国际专利申请1个,与去年同期持平。结合公司2025年中报财务数据,2025上半年公司在研发方面投入了2.66亿元,同比增8.19%。
数据来源:企查查
以上内容为证券之星据公开信息整理,由AI算法生成(网信算备310104345710301240019号),不构成投资建议。
目录 返回
首页
