联检科技获得实用新型专利授权:“一种钢结构建筑检测鉴定用防锈检查装置”
证券之星消息,根据天眼查APP数据显示联检科技(301115)新获得一项实用新型专利授权,专利名为“一种钢结构建筑检测鉴定用防锈检查装置”,专利申请号为CN202422977595.8,授权日为2025年11月14日。

图片来源于网络,如有侵权,请联系删除
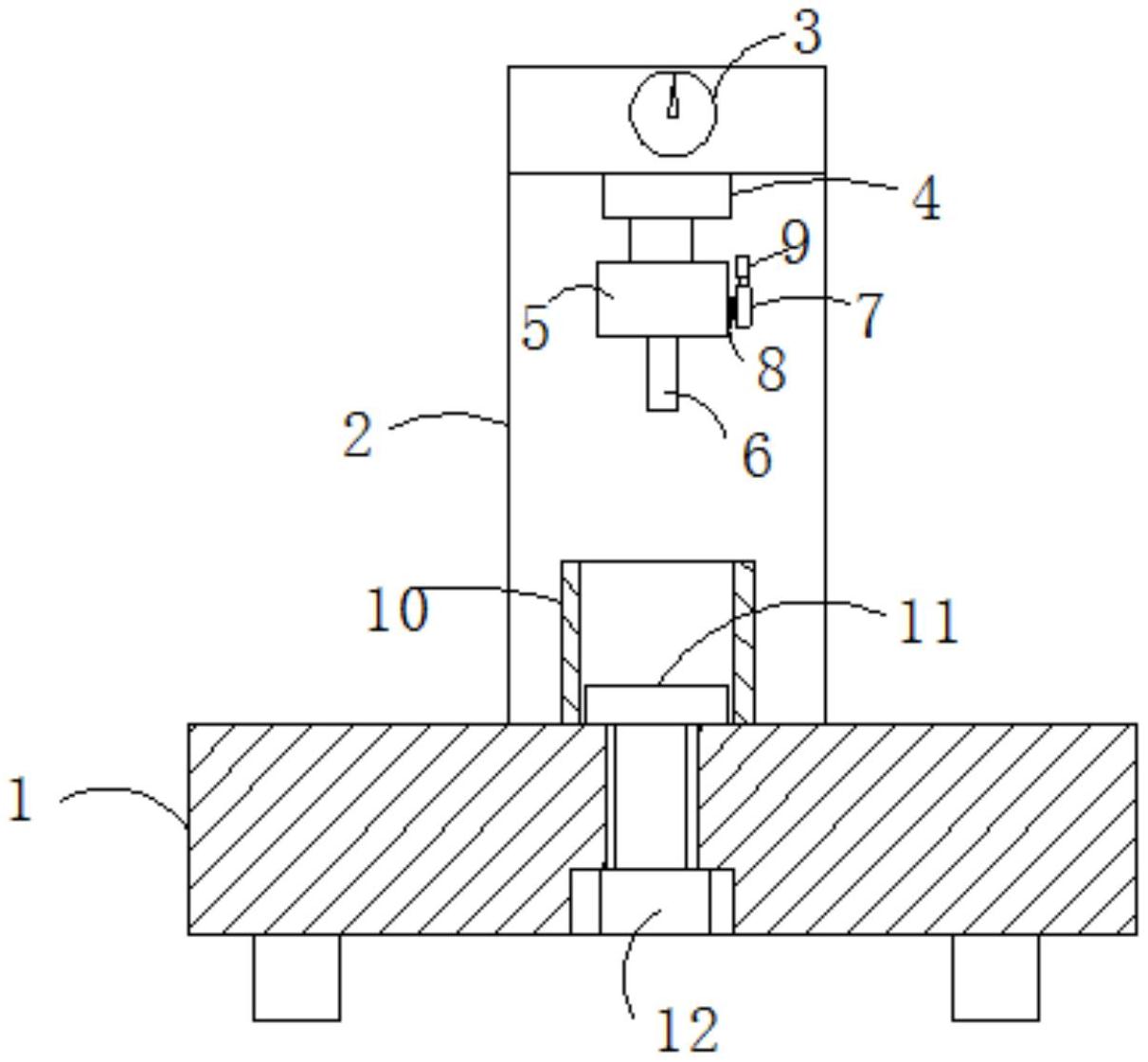
专利摘要:本实用新型公开了一种钢结构建筑检测鉴定用防锈检查装置,包括机座,安装在机座上的安装箱,安装箱两侧上设有设备箱,所述安装箱内部通过支撑导杆支撑设有检测箱,检测箱内通过转轴设置有放置台,安装箱内底部设有用于驱动放置台上下移动和旋转的驱动机构。本实用新型利用设备箱内设备分别向检测箱内部输入氧气、盐水喷洒、热气升温、酸性气体,使检测箱内部的检查环境更加丰富,使检查结果更加准确。利用驱动机构带动放置台在检测箱内上下移动,使放置台上的待检测钢部件能够在竖直和水平方向上运动,以便于水雾喷洒更均匀,实现与水雾、氧气及酸性气体充分接触;提高了检测精准度及检测效率。

图片来源于网络,如有侵权,请联系删除
今年以来联检科技新获得专利授权62个,较去年同期增加了3.33%。结合公司2025年中报财务数据,今年上半年公司在研发方面投入了4945.49万元,同比增5.24%。

图片来源于网络,如有侵权,请联系删除
通过天眼查大数据分析,联检(江苏)科技股份有限公司共对外投资了42家企业,参与招投标项目3344次;财产线索方面有商标信息25条,专利信息710条,著作权信息52条;此外企业还拥有行政许可72个。
数据来源:天眼查APP
以上内容为证券之星据公开信息整理,由AI算法生成(网信算备310104345710301240019号),不构成投资建议。
目录 返回
首页
