大洋电机获得发明专利授权:“一种车辆空调与冷却或加热装置集成系统及控制方法”
证券之星消息,根据天眼查APP数据显示大洋电机(002249)新获得一项发明专利授权,专利名为“一种车辆空调与冷却或加热装置集成系统及控制方法”,专利申请号为CN202410702042.3,授权日为2025年4月15日。

图片来源于网络,如有侵权,请联系删除
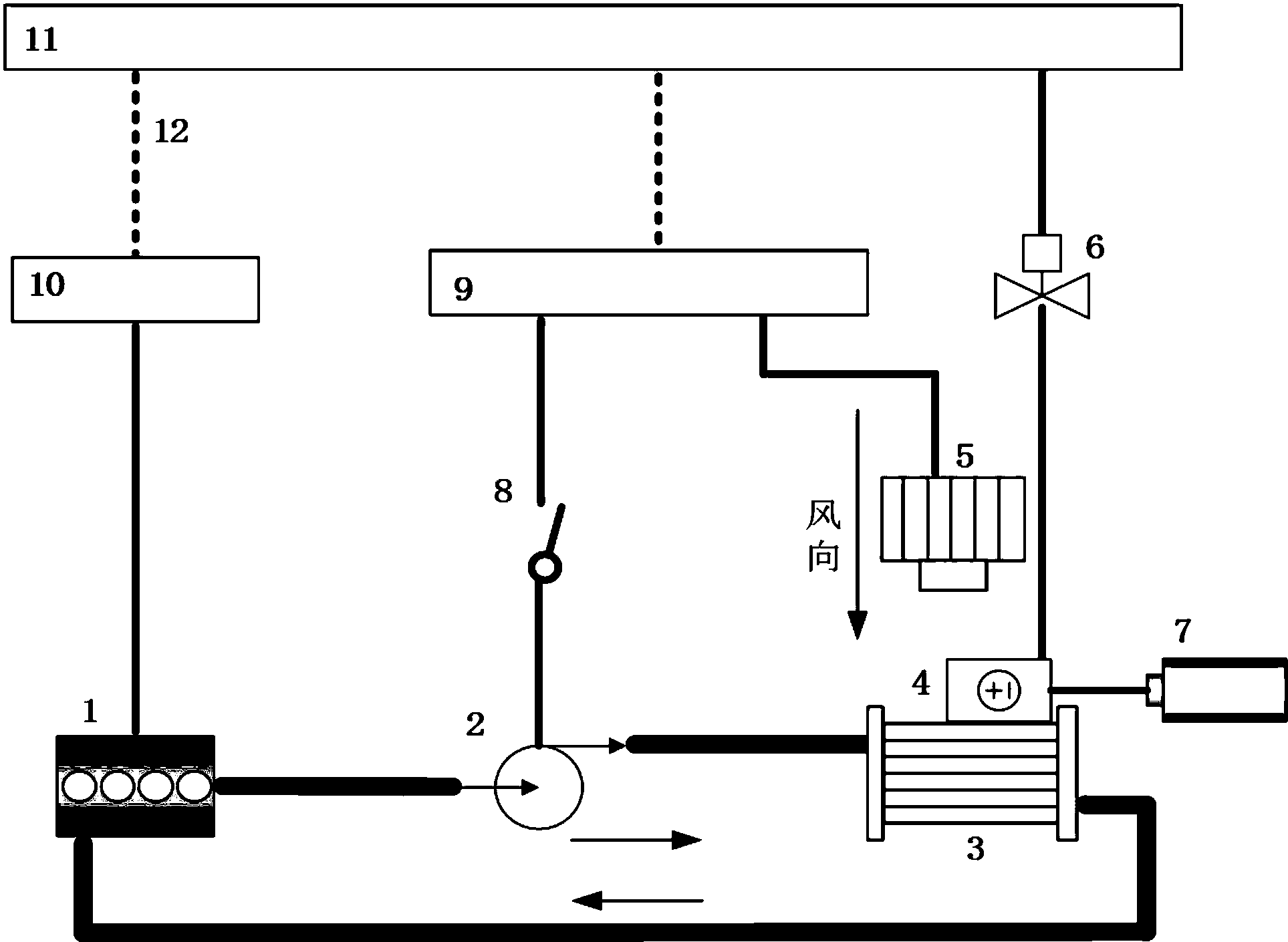
专利摘要:本发明公开了一种车辆空调与冷却或加热装置集成系统及控制方法,包括动力风口系统,动力风口系统包括进风管、制冷/制热系统和送风管,在所述出风管的管口处设有末端送风系统,末端送风系统包括小功率送风风机和低速风扇,末端送风系统将制冷/制热系统输出的低/高温气流和室内的环温气流混合后吹至车厢内部用户的位置;它还包括冷却或加热装置,冷却或加热装置包括从送风管末端设有多个第三管道,每个第三管道里面安装冷却风机,冷却风机将制冷/制热系统输出的低/高温气流对车辆上的动力电池和/或驱动控制系统进行散热或加热。它简化结构,降低制造成本,集成度高,实现车辆空调及冷却系统能源的综合使用和集中管控,从而实现车辆能源节约。

图片来源于网络,如有侵权,请联系删除
今年以来大洋电机新获得专利授权14个,较去年同期减少了26.32%。结合公司2024年中报财务数据,2024上半年公司在研发方面投入了2.99亿元,同比增11.32%。

图片来源于网络,如有侵权,请联系删除
数据来源:天眼查APP
以上内容为证券之星据公开信息整理,由智能算法生成(网信算备310104345710301240019号),不构成投资建议。
目录 返回
首页
